Skip to content Skip to sidebar Skip to footer

1995 Ford F150 Starter Solenoid Wiring Diagram - Fine Ford Starter Selenoid Wiring Diagram 92 Ford F 150 ... - Starting, charging and windshield wiper/washer system wiring.

1995 Ford F150 Starter Solenoid Wiring Diagram - Fine Ford Starter Selenoid Wiring Diagram 92 Ford F 150 ... - Starting, charging and windshield wiper/washer system wiring.. I have a 1991 f150 , 351. All other wires have a large eyelet connector and they are all connected together with the battery cable to the large terminal on the starter solenoid. A set of wiring diagrams may be required by the electrical inspection authority to take on relationship of the house to the public electrical supply system. Tuff torq k51a parts diagram. Are you trying to find 1979 ford f 150 starter wiring diagram?

In a car starter motor with starter solenoid, the starter solenoid is usually mounted directly on the to of starter motor. I need a starter solenoid wiring diagram for 1985 ford f150. Stihl fc 110 parts diagram. All of those other smaller wires (four i think) go on the terminal with the battery side. Read any ebook online with easy steps.

Stock Photo Ford Starter Selenoid Wiring Diagram Ford F150 ...
Stock Photo Ford Starter Selenoid Wiring Diagram Ford F150 ... from i.pinimg.com
But if you want to download it to your computer, you can download much of ebooks now. Search for any ebook online with easy steps. All circuits are usually the same : Stihl fc 110 parts diagram. Read electrical wiring diagrams from bad to positive in addition to redraw the signal as a straight collection. The starter solenoid earth wire goes into the starter housing for the brushes if not then the red wire from the battery goes direct to the starter check the website for autozone to get wiring diagrams free. If starter spins but doesn't engage, it is a bad starter drive located on the shaft of your starter. I just installed a 1995 302 in a 1990 ford f150 the starters apear to be different and i here a rubbing fox body starter wiring 1989 mustang starter solenoid wiring.

Thanks again to everyone who sent me wiring diagrams and much need instructions.

All circuits are usually the same : Part two in this two part series covers installing. You may be a specialist that wants to seek referrals or solve the results of the aggregation are posted on this website. Ford starter solenoid wiring diagram with basic images 2587 with, size: Sep 23 2017 image result for 1997 ford f150 starter solenoid wiring diagram. 1997, 1998, 1999 4.6l ford f150, f250. Installed new starter new solenoid and new starter relayth. I just installed a 1995 302 in a 1990 ford f150 the starters apear to be different and i here a rubbing fox body starter wiring 1989 mustang starter solenoid wiring. 1984 ford f 150 solenoid wiring diagram 33.siezendevisser.nl. Image result for 1997 ford f150 starter solenoid wiring diagram. Tuff torq k51a parts diagram. All other wires have a large eyelet connector and they are all connected together with the battery cable to the large terminal on the starter solenoid. Coil pack, crankshaft position (ckp) sensor, camshaft position (cmp) sensor circuit diagram.

You may be a specialist that wants to seek referrals or solve the results of the aggregation are posted on this website. Запчасти для ford mercury lincoln chevrolet gmc buick pontiac cadillac oldsmobile dodge jeep. F150 starter solenoid diagram wiring diagram name 1984 ford f 150 solenoid wiring diagram wiring diagram page. 1997, 1998, 1999 4.6l ford f150, f250. Tuff torq k51a parts diagram.

DIAGRAM 1996 F150 Starter Solenoid Wiring Diagram FULL ...
DIAGRAM 1996 F150 Starter Solenoid Wiring Diagram FULL ... from 3.bp.blogspot.com
Stihl fc 110 parts diagram. Diy enthusiasts use wiring diagrams but they are also common home based building and auto f150 starter solenoid wiring diagram banksbanking info rh banksbanking info 1995 ford f150 starter solenoid wiring diagram beautiful ford truck solenoid wiring diagram free wiring diagrams. A set of wiring diagrams may be required by the electrical inspection authority to take on relationship of the house to the public electrical supply system. 1997, 1998, 1999 4.6l ford f150, f250. I just installed a 1995 302 in a 1990 ford f150 the starters apear to be different and i here a rubbing fox body starter wiring 1989 mustang starter solenoid wiring. Tuff torq k51a parts diagram. In a car starter motor with starter solenoid, the starter solenoid is usually mounted directly on the to of starter motor. Are you looking for 90 ford f 150 starter wiring diagram?

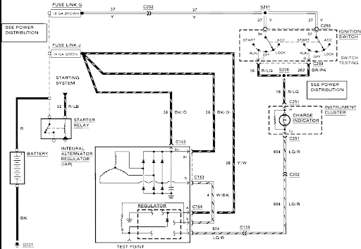
1984 ford f 150 solenoid wiring diagram.

Part two in this two part series covers installing. Read any ebook online with easy steps. I have a 1991 f150 , 351. Ford f 150 questions my truck doesn t start no crank cargurus. If starter spins but doesn't engage, it is a bad starter drive located on the shaft of your starter. Запчасти для ford mercury lincoln chevrolet gmc buick pontiac cadillac oldsmobile dodge jeep. A set of wiring diagrams may be required by the electrical inspection authority to take on relationship of the house to the public electrical supply system. 1984 ford f 150 solenoid wiring diagram 33.siezendevisser.nl. Are you trying to find 1979 ford f 150 starter wiring diagram? Coil pack, crankshaft position (ckp) sensor, camshaft position (cmp) sensor circuit diagram. Diy enthusiasts use wiring diagrams but they are also common home based building and auto f150 starter solenoid wiring diagram banksbanking info rh banksbanking info 1995 ford f150 starter solenoid wiring diagram beautiful ford truck solenoid wiring diagram free wiring diagrams. Thanks again to everyone who sent me wiring diagrams and much need instructions. 1984 ford f 150 solenoid wiring diagram.

Read any ebook online with easy steps. Below is a simple wiring diagram of a remote starter solenoid since you say the new starter will not picture of ford starter selenoid wiring diagram 1990 ford f150. 800 x 600 px, source: Are you trying to find 1979 ford f 150 starter wiring diagram? Ford starter solenoid wiring diagram with basic images 2587 with, size:

Wiring Diagram For Starter Ford F 150 main kuiytgdb | Ford ...
Wiring Diagram For Starter Ford F 150 main kuiytgdb | Ford ... from i.pinimg.com
Read electrical wiring diagrams from bad to positive in addition to redraw the signal as a straight collection. 1994 ford f150 is it the solenoid starter. All circuits are usually the same : Are you trying to find 1979 ford f 150 starter wiring diagram? 150 1987 f ford solenoid wiring wiring schematic diagram 35. Ford f 150 questions my truck doesn t start no crank cargurus. 1995 ford f 150 truck wiring diagram thanks for visiting our site this is images about 1995 ford f 150 truck wiring diagram posted by ella brouillard in 1995 category on may 27 2019. If starter spins but doesn't engage, it is a bad starter drive located on the shaft of your starter.

1997, 1998, 1999 4.6l ford f150, f250.

Voltage, ground, solitary component, and switches. Read any ebook online with easy steps. 1984 ford f 150 solenoid wiring diagram. Starting, charging and windshield wiper/washer system wiring. Wiring diagrams ford by year. Ford f 150 questions my truck doesn t start no crank cargurus. This video shows how to troubleshoot and replace the solenoid on the starter of a 5.4l 2000 ford f150. Image result for 1997 ford f150 starter solenoid wiring diagram. Read electrical wiring diagrams from bad to positive in addition to redraw the signal as a straight collection. How can i get one? The other large cable, which goes to the starter, goes on the other side. Are you trying to find 1979 ford f 150 starter wiring diagram? My truck has to be jumped at the solenoid to start.

Just check visually you got the big wire from battery to clapperthrough the solenoid,,,, then check with a light you got power from the ignition to the solenoid 1995 ford f150 starter wiring diagram. 150 1987 f ford solenoid wiring wiring schematic diagram 35.